130 axeltätning

Användning:

Kraftig konstruktion som lämpar sig för vätskor som innehåller kristaller eller där viskositeten är hög, som till exempel socker.

Konstruktion:

  • Axeltätning med fjädrar med skydd av ett rostfritt hus
  • Huset monteras med en O-ring som fungerar som sekundär tätning kring axeln
  • Kombineras med O-ringssäten
  • Är inte riktad

Kvalitet:

  • Hus och fjädrar i rostfritt stÃ¥l
  • O-ringar i NBR-, EPDM- eller Viton-gummi
  • Tätningsring av kol eller kisel
  • Sätet är framställt i rostfritt stÃ¥l, keramik eller kisel

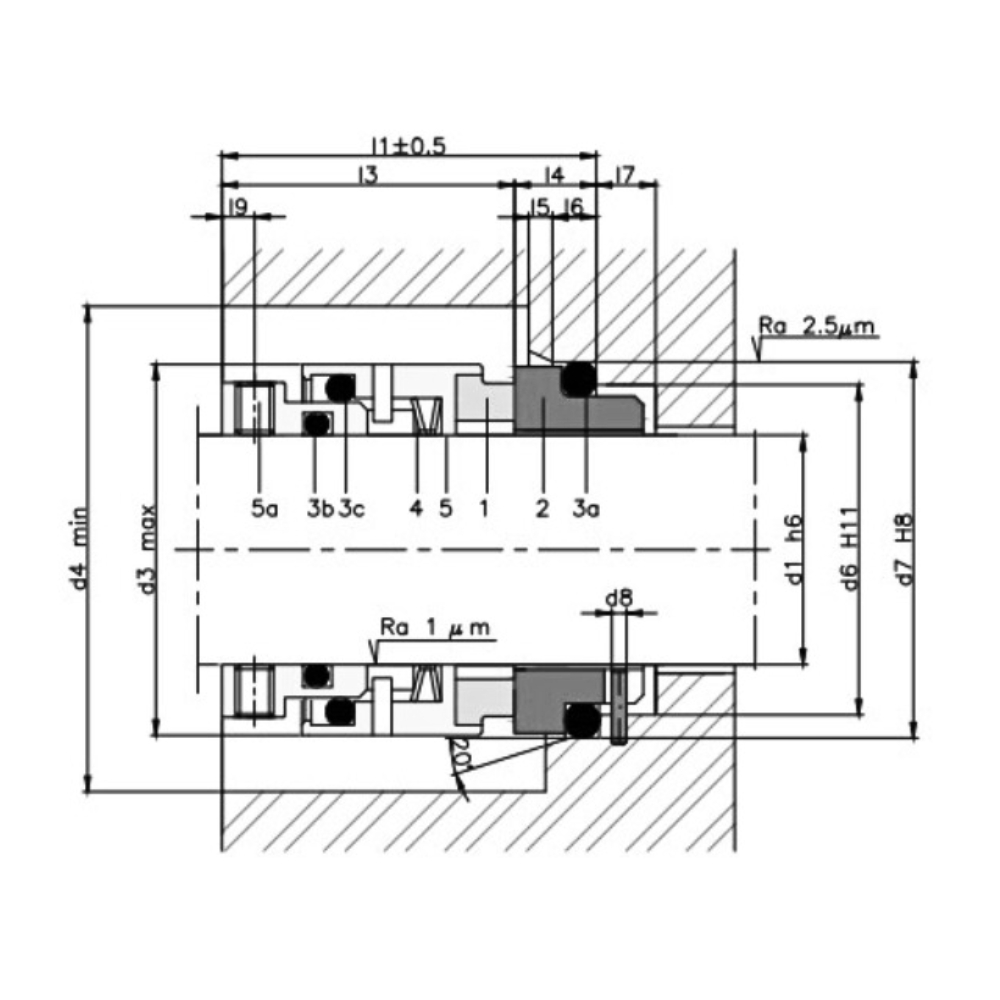
Komponenter:

1. Roterande kontaktyta
2. Stationär kontaktyta
3a. O-ringar
3b. O-ringar
3c. O-ringar
4. Fjäder
5. Metallram
6. Ställskruvar

Varunummer Axeldiam.
mm
Roterande del
material
Stationär del
material
Gummi
kvalitet
Stationär
typ
Basenhet Antal
03451300167V 16,0 Sic Sic Viton STK
03451300245V 24,0 Kul Sic Viton STK
03451300247E 24,0 Sic Sic EPDM STK
03451300247V 24,0 Sic Sic Viton STK
03451300253V 25,0 Kul Cer Viton STK
03451300255V 25,0 Kul Sic Viton STK
0345130025603E 25,0 Kul Cer EPDM L60 STK
0345130025605E 25,0 Kul Sic EPDM L60 STK
03451300257V 25,0 Sic Sic Viton STK
0345130028065V 28,0 Kul Sic Viton L6 STK
0345130028167E 28,0 Sic Sic EPDM STK
0345130028167V 28,0 Sic Sic Viton STK
0345130028605V 28,0 Kul Sic Viton L60 STK
0345130030097V 30,0 Sic Sic Viton L9 STK
03451300307E 30,0 Sic Sic EPDM STK
03451300307V 30,0 Sic Sic Viton STK
03451300337V 33,0 Sic Sic Viton STK
03451300355E 35,0 Kul Sic EPDM L16 STK
0345130038065V 38,0 Kul Sic Viton L6 STK
0345130038605V 38,0 Kul Sic Viton L60 STK
0345130040065E 40,0 Kul Sic EPDM STK
03451300400L5E 40,0 Kul Sic EPDM STK
03451300407V 40,0 Sic Sic Viton STK
03451300455E 45,0 Sic Sic EPDM STK
03451300457V 45,0 Sic Sic Viton STK
03451300505E 50,0 Kul Sic EPDM STK
03451300505V 50,0 Kul Sic Viton STK
03451300601E 60,0 Kul Rostfri EPDM STK
03451300607E 60,0 Sic Sic EPDM STK
03451300637E 63,0 Sic Sic EPDM STK
0345130070065V 70,0 Kul Sic Viton L6 STK
0345130070067V 70,0 Sic Sic Viton L6 STK
Med reservation för felaktiga produktdata, variationer i bilder/videor samt pris- och valutakursförändringar.
Luk

Det tar bara 1 minut...

Luk
Logga in

Ett fel uppstod!

Skapa nytt lösenord

Ett fel uppstod!

Vi har skickat ett e-postmeddelande med en länk för att skapa ditt nya lösenord. Kontrollera din skräppostmapp om du inte hittar det.