101S axeltätning

Användning:

Axeltätning till bl.a. pumpar.

Konstruktion:

  • Axeltätningen är med öppen tryckfjäder
  • Har en gummimanschett som fungerar som sekundär tätning kring axeln
  • Tryckfjädern är öppen
  • Är inte riktad

Kvalitet:

  • Fjäder av rostfritt stål
  • Gummibälg i antingen nitril- eller EPDM-gummi
  • Glidringen är av kol eller kisel
  • Sätet är framställt i keramik eller kisel

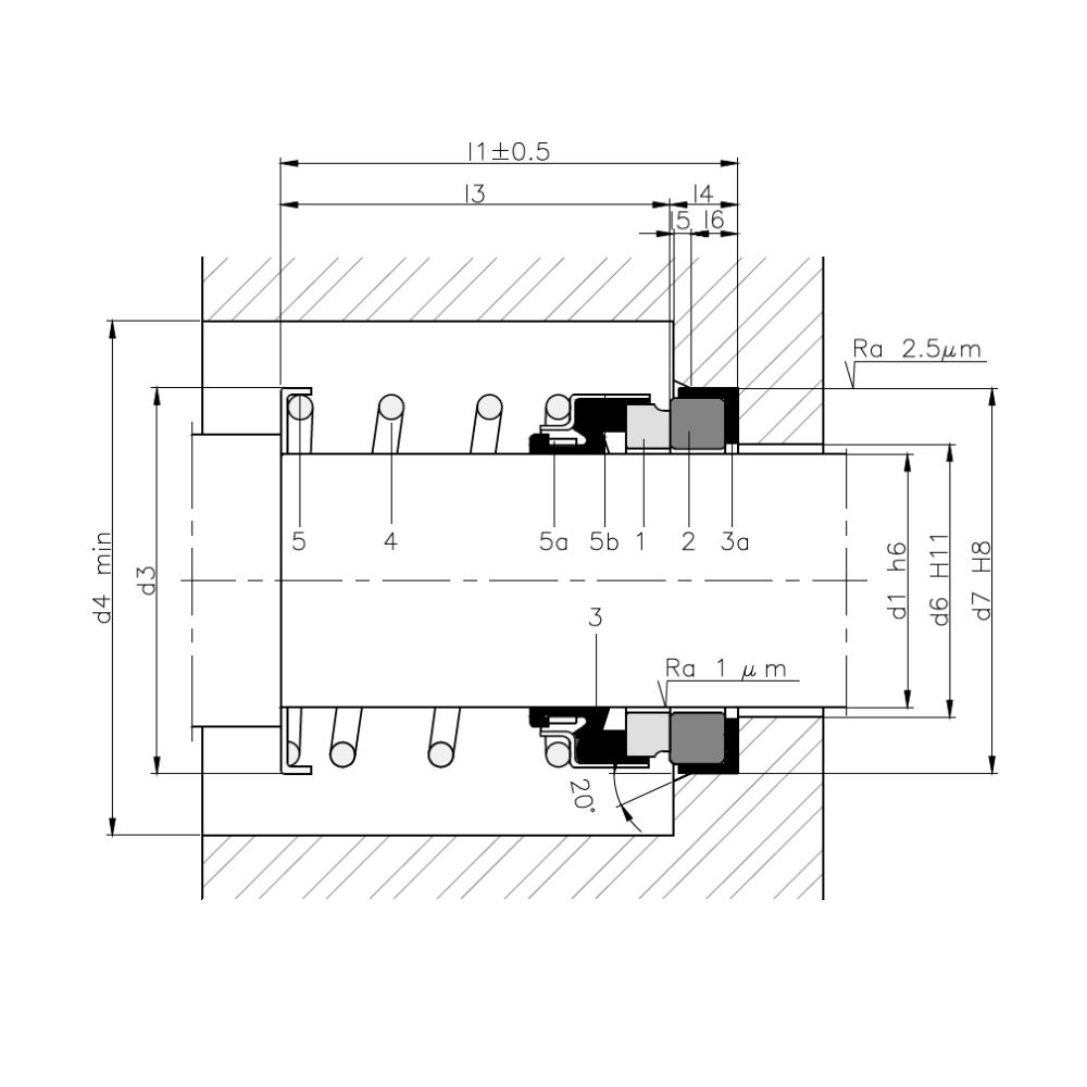
Komponenter:

1. Roterande kontaktyta
2. Stationär kontaktyta
3. Bälg
3a. Elastomerkopp
4. Fjäder
5. Ring
5a. Drivring
5b. Metallram

Varunummer Axeldiam.
mm
Roterande del
material
Stationär del
material
Gummi
kvalitet
Basenhet Antal
0345101S167E 15,87 (5/8") Sic Sic EPDM STK
0345101S223E 22,20 (7/8") Kul Cer EPDM STK
0345101S223N 22,2 (7/8") Kul Cer NBR STK
0345101S323E 31,75 (1 1/4") Kul Cer EPDM STK
0345101S323N 31,75 (1 1/4") Kul Cer NBR STK
Med reservation för felaktiga produktdata, variationer i bilder/videor samt pris- och valutakursförändringar.
Luk

Det tar bara 1 minut...

Luk
Logga in

Ett fel uppstod!

Skapa nytt lösenord

Ett fel uppstod!

Vi har skickat ett e-postmeddelande med en länk för att skapa ditt nya lösenord. Kontrollera din skräppostmapp om du inte hittar det.