Push-in-vinkel, svivel, BSPP

Användning:

Push-in-vinkel med svivel och BSPP-gänga, lämpad för tryckluftsslangar i samband med pneumatiskt styrda komponenter inom livsmedelsbranschen, kemiska industrin och läkemedelsbranschen.

Konstruktion:

Utformad för att uppnå en hög hygienisk standard och lång livslängd.

Kvalitet:

  • Framställd i POM
  • Packning i EPDM

Standarder:

EG 1935/2004.

Temperatur:

Temperaturområde +1°C till +98°C.
Arbetstryck 20 bar.

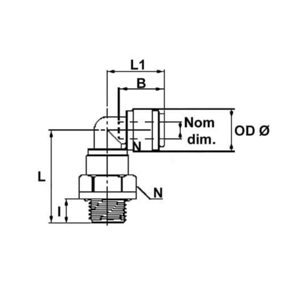
Varunummer Nominell dim.
mm.
Anslutning
RG
OD Ø diam.
mm.
Längd B
mm.
Längd L
mm.
Inbyggnadsmått L1
mm.
Gänga längd I
mm.
Nyckelvidd
mm.
Nettovikt
kg.
Basenhet Antal
02791HRPL0801W 8,0 1/8" 17,6 17,5 31,9 21,9 6,0 18,0 0,0104 STK
02791HRPL0802W 8,0 1/4" 17,6 17,5 34,4 21,9 8,5 18,0 0,011 STK
02791HRPL0803W 8,0 3/8" 17,6 17,5 34,9 21,9 9,0 22,0 0,0128 STK
02791HRPL1002W 10,0 1/4" 20,0 20,1 38,0 25,8 8,5 22,0 0,0154 STK
02791HRPL1003W 10,0 3/8" 20,0 20,1 38,5 25,8 9,0 22,0 0,0158 STK
02791HRPL1004W 10,0 1/2" 20,0 20,1 42,0 25,8 12,5 26,0 0,0191 STK
02791HRPL1203W 12,0 3/8" 23,0 24,7 43,7 31,7 9,0 26,0 0,0232 STK
Med reservation för felaktiga produktdata, variationer i bilder/videor samt pris- och valutakursförändringar.
Luk

Det tar bara 1 minut...

Luk
Logga in

Ett fel uppstod!

Skapa nytt lösenord

Ett fel uppstod!

Vi har skickat ett e-postmeddelande med en länk för att skapa ditt nya lösenord. Kontrollera din skräppostmapp om du inte hittar det.