Push-in-vinkel, svivel

Användning:

Push-in-vinkel med svivel och BSPT-gänga lämpad för tryckluftsslangar i samband med pneumatiskt styrda komponenter inom livsmedelsbranschen, kemiska industrin och läkemedelsbranschen.

Konstruktion:

Utformad för att uppnå en hög hygienisk standard och lång livslängd.

Kvalitet:

  • Framställd i POM
  • Packning i EPDM

Standarder:

EG 1935/2004.

Temperatur:

Temperaturområde +1°C till +98°C.
Arbetstryck 20 bar. 

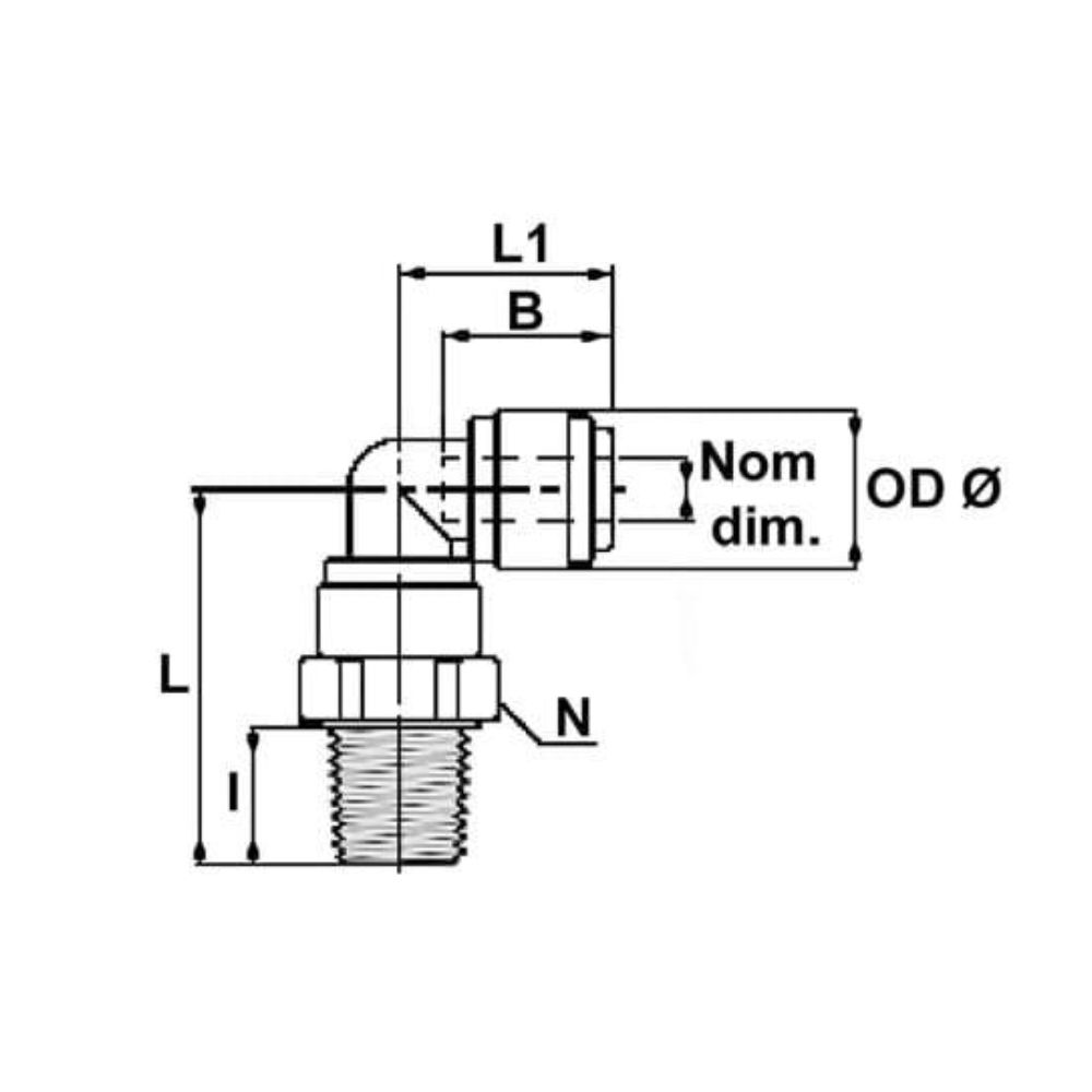
Varunummer Nominell dim.
mm.
Anslutning
RG
OD Ø diam.
mm.
Längd B
mm.
Längd L
mm.
Inbyggnadsmått L1
mm.
Gänga längd I
mm.
Nyckelvidd
mm.
Nettovikt
kg.
Basenhet Antal
02791HRPL0601W 6,0 1/8" 15,0 16,1 31,7 20,1 9,1 17,0 0,0072 STK
02791HRPL0602W 6,0 1/4" 15,0 16,1 31,7 20,1 13,1 17,0 0,008 STK
Med reservation för felaktiga produktdata, variationer i bilder/videor samt pris- och valutakursförändringar.
Luk

Det tar bara 1 minut...

Luk
Logga in

Ett fel uppstod!

Skapa nytt lösenord

Ett fel uppstod!

Vi har skickat ett e-postmeddelande med en länk för att skapa ditt nya lösenord. Kontrollera din skräppostmapp om du inte hittar det.