Mini Clamp-krage

Inre ytjämnhet på R<0,8 µ och märkta med ett satsnummer.
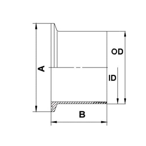
Utformad med krage för påsvetsning på rostfritt ISO-rör.

Tillverkade av rostfritt stål AISI 316L / EN 1.4404.

Varunummer Nominell dim.
mm.
A diam
mm.
ID Ø diam.
mm.
OD Ø diam.
mm.
Längd B
mm.
Nettovikt
kg.
Basenhet Antal
0101432506 6,0 25,4 4,0 6,0 21,5 0,020 STK
0101432508 8,0 25,4 6,0 8,0 21,5 0,020 STK
0101432510 10,0 25,4 8,0 10,0 21,5 0,020 STK
0101432512 12,0 25,4 10,0 12,0 21,5 0,020 STK
0101432513 13,0 25,4 9,5 12,7 21,5 0,020 STK
0101432514 14,0 25,4 12,0 14,0 21,5 0,020 STK
0101432516 16,0 25,4 14,0 16,0 21,5 0,020 STK
0101432518 18,0 25,4 16,0 18,0 21,5 0,020 STK
0101432519 19,0 25,4 15,9 19,1 21,5 0,020 STK
Med reservation för felaktiga produktdata, variationer i bilder/videor samt pris- och valutakursförändringar.
Luk

Det tar bara 1 minut...

Luk
Logga in

Ett fel uppstod!

Skapa nytt lösenord

Ett fel uppstod!

Vi har skickat ett e-postmeddelande med en länk för att skapa ditt nya lösenord. Kontrollera din skräppostmapp om du inte hittar det.