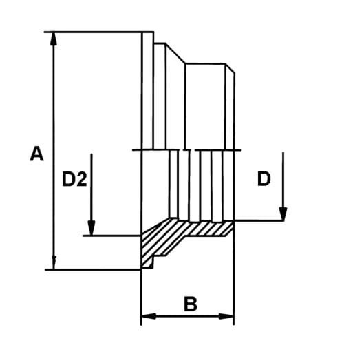
DS valsreduktionskrage

Inre ytjämnhet på R 0,8 µ och märkta med ett satsnummer.
Utformad med spår för fastvalsning av mejerirör.

Tillverkade av rostfritt stål AISI 316L / EN 1.4404.

Varunummer Nominell dim.
mm.
A diam
mm.
D2 diam
mm.
D diam.
mm.
Längd B
mm.
Nettovikt
kg.
Basenhet Antal
0101180380 38,0 54,0 38,0 25,0 30,0 0,0 STK
0101180510 51,0 68,0 51,0 25,0 32,0 0,0 STK
0101180511 51,0 68,0 51,0 38,0 38,0 0,0 STK
0101180640 63,5 84,0 63,5 38,0 38,0 0,0 STK
0101180641 63,5 84,0 63,5 51,0 42,0 0,0 STK
0101180761 76,0 96,0 76,1 51,0 44,0 0,0 STK
0101180762 76,0 96,0 76,1 63,5 44,0 0,0 STK
Med reservation för felaktiga produktdata, variationer i bilder/videor samt pris- och valutakursförändringar.
Luk

Det tar bara 1 minut...

Luk
Logga in

Ett fel uppstod!

Skapa nytt lösenord

Ett fel uppstod!

Vi har skickat ett e-postmeddelande med en länk för att skapa ditt nya lösenord. Kontrollera din skräppostmapp om du inte hittar det.