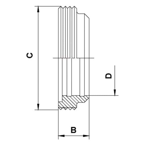
DS valsnippel

Inre ytjämnhet på R 0,8 µ och märkta med ett satsnummer.
Utformad med spår för fastvalsning på rostfritt mejerirör.

Tillverkade av rostfritt stål AISI 304 / EN 1.4301.

Varunummer Nominell dim.
mm.
C diam
mm.
D diam.
mm.
Längd B
mm.
Nettovikt
kg.
Basenhet Antal
0101130250 25,0 44,0 x 1/6 25,0 20,0 0,100 STK
0101130380 38,0 58,0 x 1/6 38,0 22,0 0,156 STK
0101130510 51,0 72,0 x 1/6 51,0 24,0 0,240 STK
0101130640 63,5 88,0 x 1/6 63,5 26,0 0,364 STK
0101130760 76,1 100,0 x 1/6 76,1 28,0 0,438 STK
0101131020 101,6 130,0 x 1/4 101,6 28,0 0,810 STK
Med reservation för felaktiga produktdata, variationer i bilder/videor samt pris- och valutakursförändringar.
Luk

Det tar bara 1 minut...

Luk
Logga in

Ett fel uppstod!

Skapa nytt lösenord

Ett fel uppstod!

Vi har skickat ett e-postmeddelande med en länk för att skapa ditt nya lösenord. Kontrollera din skräppostmapp om du inte hittar det.