Synglas med koppling, DIN, borosilikat

Användning:

Synglas för födoämnen och läkemedel.

Konstruktion:

Glaset är konstruerat av borosilikatglas som ger utomordentlig styrka och stabilitet. Utan säkerhetsgaller.

Temperatur:

Temperaturområde upp till +280°C.
En temperaturändring från +230°C till +20°C ska ta minst 1 minut.
Arbetstrycket ligger på 6 bar.

Kvalitet:

Framställt i rostfritt stål AISI 316/EN 1.4404.

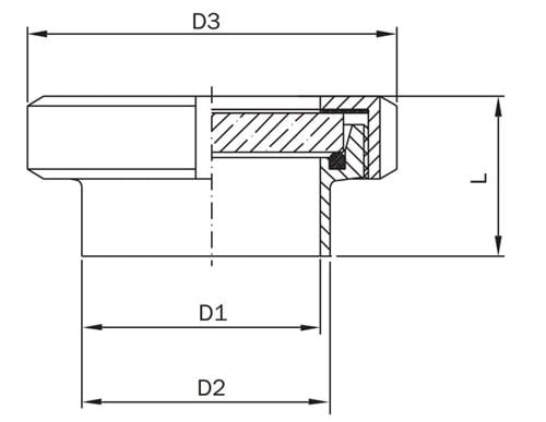
Varunummer Nominell dim. - DN D1 diam.
mm.
D2 diam.
mm.
Diam. mm.
D3
Längd L
mm.
Nettovikt
kg.
Basenhet Antal
0135000025 25 26,0 29,0 63,0 37,0 0,31 STK
0135000032 32 32,0 35,0 70,0 40,0 0,40 STK
0135000040 40 38,0 41,0 78,0 41,0 0,48 STK
0135000050 50 50,0 53,0 92,0 43,0 0,69 STK
0135000065 65 66,0 70,0 112,0 48,0 2,14 STK
0135000080 80 81,0 85,0 127,0 54,0 1,61 STK
0135000100 100 100,0 104,0 148,0 64,0 2,27 STK
0135000125 125 125,0 129,0 178,0 58,0 3,08 STK
0135000150 150 150,0 154,0 210,0 60,0 5,28 STK
Med reservation för felaktiga produktdata, variationer i bilder/videor samt pris- och valutakursförändringar.
Luk

Det tar bara 1 minut...

Luk
Logga in

Ett fel uppstod!

Skapa nytt lösenord

Ett fel uppstod!

Vi har skickat ett e-postmeddelande med en länk för att skapa ditt nya lösenord. Kontrollera din skräppostmapp om du inte hittar det.