Skyddsglas för In-Line synglas, polykarbonat

Användningsområde:

Används för att skydda AWH In-Line siktglas. Skyddsglaset är beständigt mot mineralsyror, många organiska syror, oxiderande och reducerande medel, neutrala och sura saltlösningar, många olika fetter, vaxer och oljor.

Konstruktion:

  • Transparent (genomskinlighet >86%)
  • Mycket motståndskraftig mot sprickor
  • Begränsningar vid användning: inte särskilt reptålig och inte avsedd för delar som kommer i kontakt med produkten

Temperatur:

Upp till ca 120°C, kortvarigt vid rengöring.

Kvalitet:

Termoplastisk polymer.

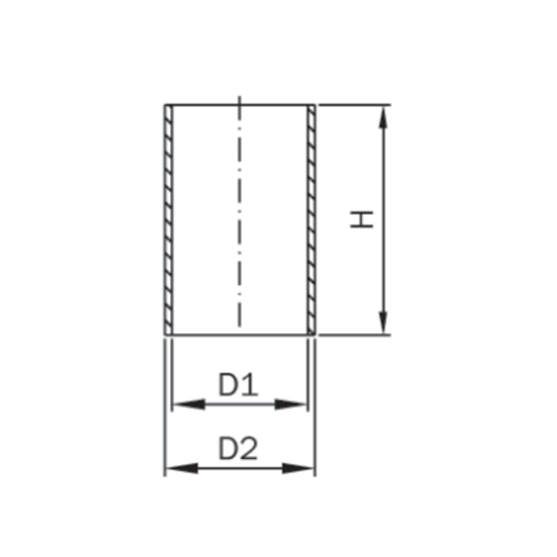
Varunummer Nominell dim.
tum
Nominell dim. - DN D1 diam.
mm.
D2 diam.
mm.
Höjd H
mm.
Vikt/enhet
kg.
Basenhet Antal
0133160100 - 10 20,0 24,0 50,0 0,01 STK
0133160150 - 15 27,0 30,0 50,0 0,01 STK
0133160200 - 20 35,0 38,0 50,0 0,01 STK
0133160250 1" 25 36,0 40,0 61,0 0,01 STK
0133160320 32 42,0 45,0 61,0 0,02 STK
0133160380 1½" 40 54,0 60,0 61,0 0,02 STK
0133160510 2" 50 66,0 70,0 61,0 0,03 STK
0133160640 2½" 65 65,0 75,0 85,0 0,21 STK
0133160760 3" 80 95,0 100,0 77,0 0,04 STK
0133161000 4" 100 128,0 133,0 103 0,07 STK
Med reservation för felaktiga produktdata, variationer i bilder/videor samt pris- och valutakursförändringar.
Luk

Det tar bara 1 minut...

Luk
Logga in

Ett fel uppstod!

Skapa nytt lösenord

Ett fel uppstod!

Vi har skickat ett e-postmeddelande med en länk för att skapa ditt nya lösenord. Kontrollera din skräppostmapp om du inte hittar det.