Packning för In-Line synglas

Användningsområde:

Packning för användning i In-line synglas.

Temperatur:

Temperaturtäckning från -40°C till +150°C.

Kvalitet:

Packningen är tillverkad av EPDM eller NBR.

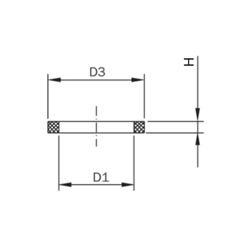
Varunummer Nominell dim.
tum
Nominell dim. - DN D1 diam.
mm.
Diam. mm.
D3
Höjd H
mm.
Gummi
kvalitet
Basenhet Antal
0133170100 10 10,0 16,0 3,0 EPDM STK
0133170150 15 16,0 23,0 3,0 EPDM STK
0133170200 20 20,0 27,0 3,0 EPDM STK
0133170250 1" 25 26,0 33,0 3,0 EPDM STK
0133170320 32 32,0 39,0 3,0 EPDM STK
0133170380 1½" 40 38,0 51,0 3,0 EPDM STK
0133170510 2" 50 50,0 61,0 3,0 EPDM STK
0133170640 2½" - 61,0 72,0 3,0 EPDM STK
0133170650 65 66,0 76,0 3,0 EPDM STK
0133170760 3" 76,0 87,0 4,0 EPDM STK
0133170800 - 80 81,0 91,0 4,0 EPDM STK
0133171000 4" 100 100,0 110,0 4,0 EPDM STK
0133180100 10 10,0 16,0 3,0 NBR STK
0133180150 15 16,0 23,0 3,0 NBR STK
0133180200 20 20,0 27,0 3,0 NBR STK
0133180250 1" 25 26,0 33,0 3,0 NBR STK
0133180320 32 32,0 39,0 3,0 NBR STK
0133180400 1½" 40 38,0 51,0 3,0 NBR STK
0133180510 2" 50 50,0 61,0 3,0 NBR STK
0133180640 2½" 61,0 72,0 3,0 NBR STK
0133180650 65 66,0 76,0 3,0 NBR STK
0133180760 3" 76,0 87,0 4,0 NBR STK
0133180800 80 81,0 91,0 4,0 NBR STK
0133181000 4" 100 100,0 111,0 4,0 NBR STK
Med reservation för felaktiga produktdata, variationer i bilder/videor samt pris- och valutakursförändringar.
Luk

Det tar bara 1 minut...

Luk
Logga in

Ett fel uppstod!

Skapa nytt lösenord

Ett fel uppstod!

Vi har skickat ett e-postmeddelande med en länk för att skapa ditt nya lösenord. Kontrollera din skräppostmapp om du inte hittar det.