Blindliner, aseptisk DIN 11864-1, serie C, tum Blindliner, aseptisk DIN 11864-1, serie C, tum

Blindliner, aseptisk DIN 11864-1, serie C, tum

Följer standarden DIN 11864, serie C.

Tillverkad av rostfritt stål AISI 316L / EN 1.4404.

Varunummer Nominell dim.
tum
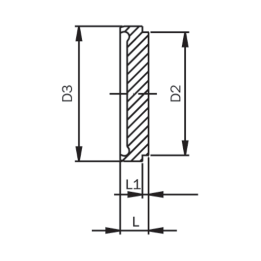
D2 diam.
mm.
Diam. mm.
D3
Inbyggnadsmått L1
mm.
Längd L
mm.
Nettovikt
kg.
Basenhet Antal
0102235015C 1/2" 18,0 21,9 3,0 9,0 0,02 STK
0102235020C 3/4" 24,0 27,9 3,0 9,0 0,03 STK
0102235025C 1" 35,0 42,9 3,0 12,0 0,10 STK
0102235040C 1½" 48,0 54,9 3,0 13,0 0,16 STK
0102235050C 2" 61,0 66,9 3,0 14,0 0,27 STK
0102235065C 2½" 79,0 84,9 4,0 16,0 0,52 STK
0102235080C 3" 93,0 98,9 4,0 16,0 0,70 STK
0102235100C 4" 114,0 118,9 5,0 20,0 1,37 STK
Med reservation för felaktiga produktdata, variationer i bilder/videor samt pris- och valutakursförändringar.
Luk

Det tar bara 1 minut...

Luk
Logga in

Ett fel uppstod!

Skapa nytt lösenord

Ett fel uppstod!

Vi har skickat ett e-postmeddelande med en länk för att skapa ditt nya lösenord. Kontrollera din skräppostmapp om du inte hittar det.