Blindliner, aseptisk DIN 11864-1, serie A, DIN Blindliner, aseptisk DIN 11864-1, serie A, DIN

Blindliner, aseptisk DIN 11864-1, serie A, DIN

Följer standarden DIN 11864, serie A.

Tillverkad av rostfritt stål AISI 316L / EN 1.4404.

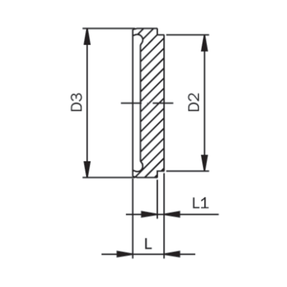
Varunummer Nominell dim. - DN D2 diam.
mm.
Diam. mm.
D3
Inbyggnadsmått L1
mm.
Längd L
mm.
Nettovikt
kg.
Basenhet Antal
0102233010A 10 18,0 21,9 3,0 09,0 0,02 STK
0102233015A 15 24,0 027,9 3,0 9,0 0,03 STK
0102233020A 20 30,0 35,9 3,0 10,0 0,06 STK
0102233025A 25 35,0 42,9 3,0 12,0 0,10 STK
0102233032A 32 41,0 48,9 3,0 13,0 0,13 STK
0102233040A 40 48,0 54,9 3,0 13,0 0,16 STK
0102233050A 50 61,0 66,9 3,0 14,0 0,27 STK
0102233065A 65 79,0 84,9 4,0 16,0 0,52 STK
0102233080A 80 93,0 98,9 4,0 16,0 0,70 STK
0102233100A 100 114,0 118,9 5,0 20,0 1,37 STK
Med reservation för felaktiga produktdata, variationer i bilder/videor samt pris- och valutakursförändringar.
Luk

Det tar bara 1 minut...

Luk
Logga in

Ett fel uppstod!

Skapa nytt lösenord

Ett fel uppstod!

Vi har skickat ett e-postmeddelande med en länk för att skapa ditt nya lösenord. Kontrollera din skräppostmapp om du inte hittar det.