Clamp kragmutter, DIN, 11864-3, serie C

Aseptisk clamp kragmutter enligt standarden DIN 11864-3, serie C.

Framställd i rostfritt stål AISI 316L/EN 1.4404.

Varunummer Nominell dim.
mm.
Nominell dim.
tum
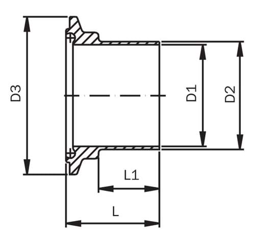
D1 diam.
mm.
D2 diam.
mm.
Diam. mm.
D3
Längd L
mm.
Inbyggnadsmått L1
mm.
Nettovikt
kg.
Basenhet Antal
0102284025C 25 1" 22,1 25,4 50,5 40,0 28,0 0,09 STK
0102284040C 38,0 1½" 34,8 38,1 64,0 45,5 30,0 0,140 STK
0102284050C 51,0 2" 47,5 50,8 77,5 46,0 30,0 0,170 STK
0102284065C 63,5 2½" 60,2 63,5 93,0 59,0 40,0 0,24 STK
0102284080C 76,2 3" 72,9 76,2 106,0 60,0 40,0 0,30 STK
0102284100C 100 4" 97,4 101,6 130,0 61,0 40,0 0,42 STK
Med reservation för felaktiga produktdata, variationer i bilder/videor samt pris- och valutakursförändringar.
Luk

Det tar bara 1 minut...

Luk
Logga in

Ett fel uppstod!

Skapa nytt lösenord

Ett fel uppstod!

Vi har skickat ett e-postmeddelande med en länk för att skapa ditt nya lösenord. Kontrollera din skräppostmapp om du inte hittar det.