Clamp kragmutter, DIN, 11864-3, serie B

Aseptisk clamp kragmutter enligt standarden DIN 11864-3, serie B.

Framställd i rostfritt stål AISI 316L/EN 1.4404.

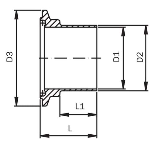
Varunummer Nominell dim.
mm.
D1 diam.
mm.
D2 diam.
mm.
Diam. mm.
D3
Längd L
mm.
Inbyggnadsmått L1
mm.
Nettovikt
kg.
Basenhet Antal
0102282013B 13,5 10,3 13,5 34,0 39,5 26,0 0,05 STK
0102282017B 17,2 14,0 17,2 34,0 39,5 26,0 0,05 STK
0102282021B 21,3 18,1 21,3 34,0 40,5 26,0 0,09 STK
0102282026B 26,9 23,7 26,9 50,5 40,0 30,0 0,09 STK
0102282033B 33,7 29,7 33,7 50,5 45,5 30,0 0,09 STK
0102282042B 42,4 38,4 42,4 64,0 45,5 30,0 0,14 STK
0102282048B 40,0 44,3 48,3 64,0 46,5 30,0 0,180 STK
0102282060B 60,3 56,3 60,3 91,0 58,5 40,0 0,28 STK
0102282076B 76,1 72,1 76,1 106,0 60,0 40,0 0,34 STK
0102282088B 88,9 84,3 88,9 119,0 62,5 40,0 0,37 STK
Med reservation för felaktiga produktdata, variationer i bilder/videor samt pris- och valutakursförändringar.
Luk

Det tar bara 1 minut...

Luk
Logga in

Ett fel uppstod!

Skapa nytt lösenord

Ett fel uppstod!

Vi har skickat ett e-postmeddelande med en länk för att skapa ditt nya lösenord. Kontrollera din skräppostmapp om du inte hittar det.