Clamp kragfoder, DIN, 11864-3, serie C

Aseptisk clamp kragfode enligt standarden DIN 11864-3, serie C.

Framställd i rostfritt stål AISI 316L/EN 1.4404.

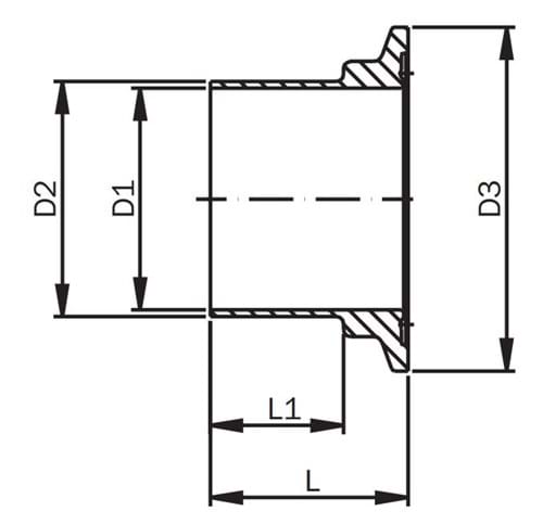
Varunummer Nominell dim.
mm.
Nominell dim.
tum
D1 diam.
mm.
D2 diam.
mm.
Diam. mm.
D3
Längd L
mm.
Inbyggnadsmått L1
mm.
Nettovikt
kg.
Basenhet Antal
0102285025C 25 1" 22,1 25,4 50,5 38,5 28,0 0,08 STK
0102285040C 38,0 1½" 34,8 38,1 64,0 44,0 30,0 0,120 STK
0102285050C 51,0 2" 47,5 50,8 77,5 44,5 30,0 0,170 STK
0102285065C 63,5 2½" 60,2 63,5 91,0 57,5 40,0 0,24 STK
0102285080C 76,2 3" 72,9 76,2 106,0 58,5 40,0 0,30 STK
0102285100C 100 4" 97,4 101,6 130,0 59,5 40,0 0,44 STK
Med reservation för felaktiga produktdata, variationer i bilder/videor samt pris- och valutakursförändringar.
Luk

Det tar bara 1 minut...

Luk
Logga in

Ett fel uppstod!

Skapa nytt lösenord

Ett fel uppstod!

Vi har skickat ett e-postmeddelande med en länk för att skapa ditt nya lösenord. Kontrollera din skräppostmapp om du inte hittar det.