Clamp kragfoder, DIN, 11864-3, serie B

Aseptisk clamp kragfode enligt standarden DIN 11864-3, serie B.

Framställt i rostfritt stål AISI 316L.

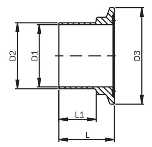
Varunummer Nominell dim.
mm.
D1 diam.
mm.
D2 diam.
mm.
Diam. mm.
D3
Längd L
mm.
Inbyggnadsmått L1
mm.
Nettovikt
kg.
Basenhet Antal
0102283013B 13,5 10,3 13,5 34,0 39,5 26,0 0,04 STK
0102283017B 17,2 14,0 17,2 34,0 38,0 26,0 0,04 STK
0102283021B 21,3 18,1 21,3 34,0 39,0 26,0 0,04 STK
0102283026B 26,9 23,7 26,9 50,5 39,0 30,0 0,08 STK
0102283033B 33,7 29,7 33,7 50,5 44,0 30,0 0,08 STK
0102283042B 42,4 38,4 42,4 64,0 44,0 30,0 0,12 STK
0102283048B 40,0 44,3 48,3 64,0 45,0 30,0 0,11 STK
0102283060B 60,3 56,3 60,3 91,0 57,0 40,0 0,22 STK
0102283076B 76,1 72,1 76,1 106,0 58,5 40,0 0,32 STK
0102283088B 88,9 84,3 88,9 119,0 61,0 40,0 0,36 STK
Med reservation för felaktiga produktdata, variationer i bilder/videor samt pris- och valutakursförändringar.
Luk

Det tar bara 1 minut...

Luk
Logga in

Ett fel uppstod!

Skapa nytt lösenord

Ett fel uppstod!

Vi har skickat ett e-postmeddelande med en länk för att skapa ditt nya lösenord. Kontrollera din skräppostmapp om du inte hittar det.