Clamp kragfoder, DIN, 11864-3, serie A

Aseptisk clamp kragfode enligt standarden DIN 11864-3, serie A.

Framställt i rostfritt stål AISI 316L/EN 1.4404.

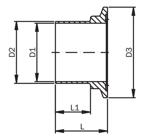
Varunummer Nominell dim.
mm.
D1 diam.
mm.
D2 diam.
mm.
Diam. mm.
D3
Längd L
mm.
Inbyggnadsmått L1
mm.
Nettovikt
kg.
Basenhet Antal
0102281010A 10,0 10,0 13,0 34,0 38,0 26,0 0,04 STK
0102281015A 15,0 16,0 19,0 34,0 38,0 26,0 0,04 STK
0102281020A 20,0 20,0 23,0 50,5 38,0 26,0 0,08 STK
0102281025A 25,0 26,0 29,0 50,5 38,5 28,0 0,07 STK
0102281032A 32,0 32,0 35,0 50,5 44,0 30,0 0,06 STK
0102281040A 40,0 38,0 41,0 64,0 44,0 30,0 0,10 STK
0102281050A 50,0 50,0 53,0 77,5 44,5 30,0 0,14 STK
0102281065A 65,0 66,0 70,0 91,0 56,5 40,0 0,21 STK
0102281080A 80,0 81,0 85,0 106,0 58,5 40,0 0,25 STK
0102281100A 100,0 100,0 104,0 130,0 60,0 40,0 0,35 STK
Med reservation för felaktiga produktdata, variationer i bilder/videor samt pris- och valutakursförändringar.
Luk

Det tar bara 1 minut...

Luk
Logga in

Ett fel uppstod!

Skapa nytt lösenord

Ett fel uppstod!

Vi har skickat ett e-postmeddelande med en länk för att skapa ditt nya lösenord. Kontrollera din skräppostmapp om du inte hittar det.