Mini backventil

Användning:

Kompakt mini backventil för pneumatiska applikationer i frätande miljöer i kontakt med vatten, gaser och svaga syror. Lämpad för livsmedel, kemisk industri och medicinska applikationer.

Konstruktion:

  • O-ringar i Viton
  • Enkelriktat flöde
  • Muff/muff

Kvalitet:

Framställt i rostfritt stål AISI 316.

Driftsförhållanden:

  • Temperaturområde Viton (packning) -20°C till +205°C
  • Temperaturområde EPDM (packning) -40°C till +130°C
  • Tryck: max. 20 bar
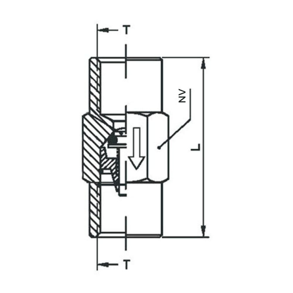
Varunummer Nominell dim.
tum
Anslutning
RG
Längd L
mm.
Nyckelvidd NV
mm.
Öppningstryck
bar
Arb.tryck
bar
Nettovikt
kg.
Basenhet Antal
0525059020 1/8" 1/8" 40,0 17,0 0,35 20,0 0,048 STK
0525059060 1/4" 1/4" 41,0 17,0 0,30 20,0 0,043 STK
0525059080 3/8" 3/8" 47 22,0 0,25 20,0 0,084 STK
0525059100 1/2" 1/2" 56,0 27,0 0,08 20,0 0,143 STK
0525059130 3/4" 3/4" 66,5 36,0 0,10 20,0 0,330 STK
0525059150 1" 1" 79,0 41,0 0,80 20,0 0,388 STK
Med reservation för felaktiga produktdata, variationer i bilder/videor samt pris- och valutakursförändringar.
Luk

Det tar bara 1 minut...

Luk
Logga in

Ett fel uppstod!

Skapa nytt lösenord

Ett fel uppstod!

Vi har skickat ett e-postmeddelande med en länk för att skapa ditt nya lösenord. Kontrollera din skräppostmapp om du inte hittar det.