Vinkelkoppling

Användning:

Lämpad för bl.a. anslutning av slangar i mindre dimensioner.

Konstruktion:

Utformad för att uppnå en hög hygienisk standard och lång livslängd.

  • Kan levereras med eller utan backventil
  • Klämringskopplingar vinklar med skärring

Kvalitet:

Framställd i rostfritt stål AISI 316L, DIN 2353.

Temperatur:

Temperaturområde -40°C till +120°C utan tryckreduktion.
Arbetstryck vid +20°C, 250 bar för 6–15 mm, 160 bar för 18–22 mm.

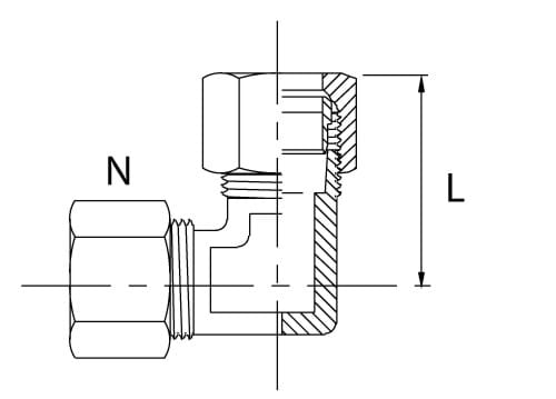
Varunummer Rör dim. 1 - mm. Inbyggnadsmått L
mm.
Nyckelvidd
mm.
Arb.tryck
bar
Nettovikt
kg.
Basenhet Antal
0100610006 6,0 27,0 14,0 315,0 0,050 STK
0100610008 8,0 29,0 17,0 315,0 0,071 STK
0100610010 10,0 30,0 19,0 315,0 0,100 STK
0100610012 12,0 32,0 22,0 315,0 0,170 STK
0100610015 15,0 36,0 27,0 315,0 0,205 STK
0100610018 18,0 40,0 32,0 315,0 0,310 STK
0100610022 22,0 44,0 36,0 160,0 0,330 STK
0100610028 28,0 47,0 41,0 160,0 - STK
0100610035 35,0 56,0 50,0 160,0 - STK
0100610042 42,0 63,0 60,0 160,0 - STK
Med reservation för felaktiga produktdata, variationer i bilder/videor samt pris- och valutakursförändringar.
Luk

Det tar bara 1 minut...

Luk
Logga in

Ett fel uppstod!

Skapa nytt lösenord

Ett fel uppstod!

Vi har skickat ett e-postmeddelande med en länk för att skapa ditt nya lösenord. Kontrollera din skräppostmapp om du inte hittar det.