Vakuumfläns, KF

Användning:

Snabbkopplingsfläns enligt KF-standarden (Klein Flange), används för vakuumtäta anslutningar mellan rör, ventiler, vakuumkammare och pumpar. Anslutningen kan monteras och demonteras utan verktyg, vilket gör den idealisk för vakuumsystem med frekvent underhåll eller frekventa ändringar i installationen.

Konstruktion:

Flänsarna ansluts med hjälp av en centreringsring med inbyggd packning, som fästs med en utvändig KF-klämma. Konstruktionen säkerställer en snabb och pålitlig tätning som är lämplig för lågt, medelhögt och högt vakuum.

  • Uppfyller standarderna DIN 28403 och ISO 2861.
  • Anslutningar finns från DN10 till DN50.
  • Vakuumtrycket beror på det valda packning-materialet.

Kvalitet:

Tillverkad i rostfritt stål AISI 316L. Materialet och konstruktionen garanterar kompatibilitet med andra standardiserade KF-komponenter i enlighet med gällande DIN/ISO-standarder.

Vakuum/undertryck:

10-7 mbar.

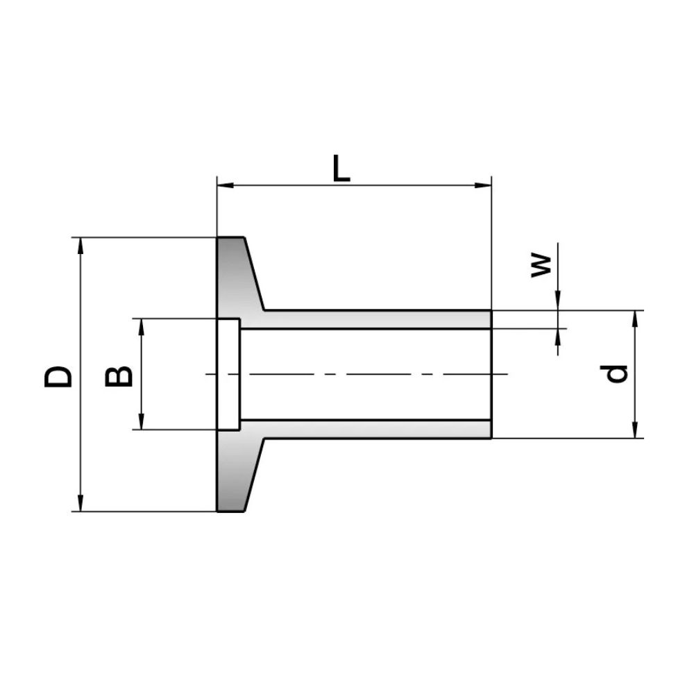
Varunummer Nominell dim. - DN D Diam.
mm.
Dia. mm. - B D Diam.
mm.
DIN dia. mm. Längd L
mm.
Väggtjocklek T
mm.
Vikt/enhet
kg.
Antal
0102901030 DN10 14,0 12,2 30,0 DN10 30,0 2,0 0,037
0102901630 DN16 20,0 17,2 30,0 DN16 30,0 2,0 0,038
0102902530 DN25 28,0 26,2 40,0 DN25 30,0 2,0 0,056
0102904030 DN40 44,5 41,2 55,0 DN40 30,0 2,0 0,087
0102905030 DN50 57,0 52,4 75,0 DN50 30,0 3,2 0,190
Med reservation för felaktiga produktdata, variationer i bilder/videor samt pris- och valutakursförändringar.
Luk

Det tar bara 1 minut...

Luk
Logga in

Ett fel uppstod!

Skapa nytt lösenord

Ett fel uppstod!

Vi har skickat ett e-postmeddelande med en länk för att skapa ditt nya lösenord. Kontrollera din skräppostmapp om du inte hittar det.